• Structural Design & Software
  • Home
  • Проектиране
    • Стоманени конструкции
    • Стоманобетонни конструкции
    • Количествени сметки
      • Архитектура
      • Конструкции
  • Обекти
    • Стоманени конструкции
    • Стоманобетонни конструкции
  • Програми
    • Натоварване
      • Натоварване
      • Wind Profile
    • Стоманобетон
      • Rebar master
      • Материали
      • Колона
      • Стълбище
      • Греда
      • Провисване
      • Къса конзола
    • Фундиране
      • Фундамент
      • Земен натиск
      • Подпорна стена
      • Изкопи
    • Стомана
      • Purlin master
      • Ажурна столица
      • Bolt master
      • Steel master
      • Пасарелка
      • Стълбище
      • Х Връзка
      • Профили
      • Заварка
      • Опън
    • Специални
      • Lifting master
      • Silo loads
      • Pipe ToolBox
      • Вертикални резервоари
    • Други
      • КС
    • Wood Master
  • Freeware
    • Натоварване
      • Wind Load Generator
      • Натоварване
      • Response Spectrum
    • Стоманобетон
      • Rebar master Lite
      • Schmidt hammer
      • Продънване
    • Фундиране
      • Tower8 to PadExpert
    • Стомана
      • Steel Master Lite
      • Bolt Circle
      • Buckling columns
      • Bolt Master Lite
    • Други
      • AquaCalc
      • Интерполация
  • Tools
  • Контакти
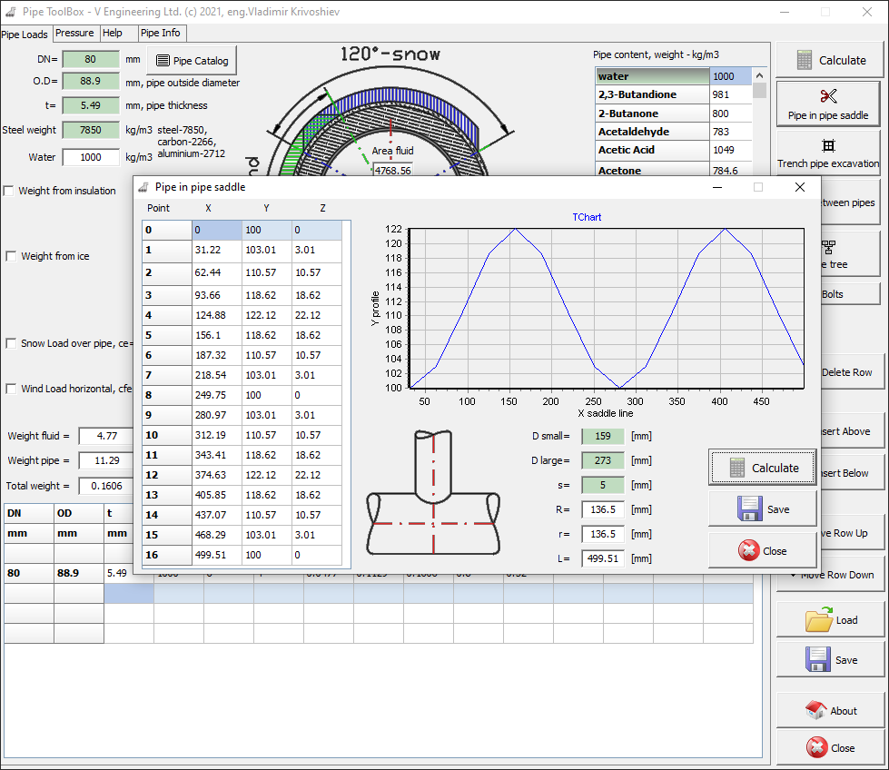
Pipe ToolBox - v3.0
Програмата се използва за определяне на натоварването от тръби по естакади
Изчисляване теглото на стоманена тръба.
Изчисляване теглото на флуида в нея
Възможност за добавяне на тегло от обледеняване и изолация
Възможност за добавяне на ветрово натоварване
База данни с различни течности
База данни с различни тръби и дебелини
Запис на данните
Възможност за четене на записи от файл и тяхното редактиране
Тръба в тръба - диаграма и координати за изрязване
Разстояние между две тръби според диаметъра
Траншея за полагане на тръба в изкоп - количествена сметка на насипните материали

Copyright © 2023 - All Rights Reserved - v-eng.org